- دستگاه تزریق پلاستیک
- پمپ هیدرولیک
- شیر هیدرولیک
- لوازم جانبی دستگاه تزریق پلاستیک
- لوازم جانبی هیدرولیک
- هیدروموتور
- هیدروموتور پیستونی شعاعی
- هیدروموتور پیستونی شعاعی اینترموت
- هیدروموتور پیستونی شعاعی دندون
- هیدروموتور پیستونی شعاعی زد وای (ZI HYD)
- هیدروموتور پیستونی شعاعی آی ان آی (INI)
- هیدروموتور پیستونی شعاعی سای ایتالیا
- هیدروموتور پیستونی شعاعی طرح سای آی ان آی (INI)
- هیدروموتور پیستونی شعاعی طرح سای دندون
- هیدروموتور پیستونی شعاعی ایتال گروپ
- هیدروموتور پیستونی شعاعی کالزونی
- هیدروموتور پیستونی شعاعی استافا (Staffa)
- هیدروموتور پیستونی محوری
- هیدروموتور اوربیتالی
- هیدروموتور پیستونی شعاعی
- الکتروموتور
هیدروموتور پیستونی شعاعی اینترموت NHM6
مشخصات فنی هیدروموتور پیستونی شعاعی اینترموت NHM6
حداکثر فشار کاری:
- بسته به تیپ هیدروموتور از 200 تا 320 بار
جابجایی:
- بسته به تیپ هیدروموتور از 397 تا 754 سی سی بر دور
وزن:
- 57 کیلوگرم
تماس بگیرید
17
نفر در حال مشاهده این محصول هستند!
هیدروموتور پیستونی شعاعی اینترموت NHM6، یکی از مدلهای میانرده و بسیار محبوب در میان موتورهای پیستونی شعاعی است. این مدل برای کار در سیستمهای هیدرولیکی با گشتاور بسیار بالا و سرعتهای پایین طراحی شده و تعادل بینظیری بین قدرت، بازده و ابعاد فشرده ارائه میدهد.
در مقایسه با مدلهای پایینتر یعنی NHM2، NHM1 و NHM3، مدل NHM6 دارای حجم جابجایی بیشتر، گشتاور قویتر و توان خروجی بالاتر است، در حالی که همچنان از همان ساختار مکانیکی مطمئن و ساده سری NHM بهره میبرد.
برای بررسی دقیق عملکرد و ساختار این نوع خاص از هیدروموتورها، پیشنهاد میشود مقاله “هیدروموتور پیستونی شعاعی از قدرت تا کارایی” را مطالعه کنید؛ این مقاله با رویکردی تحلیلی، جنبههای فنی را بررسی کرده است.
در صورتی که به دنبال آشنایی با طبقهبندی کلی هیدروموتورها هستید، مقاله “هیدروموتور راز قدرت ماشین آلات صنعتی” مرجعی کاربردی خواهد بود.
جهت بررسی مدلهای مختلف این دسته، بخش محصولات هیدروموتور پیستونی شعاعی را از دست ندهید. برای دسترسی به همه گزینهها،اینجا کلیک نمایید.
کد سفارش هیدروموتور پیستونی شعاعی اینترموت NHM6 طبق استاندارد طراحی سری NHM
در مدل NHM6، هنگام انتخاب از جدول Ordering Code باید دقت شود گزینههایی انتخاب شوند که با کاربردهای سنگینکار صنعتی و معدنی سازگار باشند.
بهطور معمول برای این مدل:
- نوع شفت: دندانهدار (Splined Shaft) برای انتقال گشتاور بالا
- نوع فلنج: فلنج سنگین استاندارد ISO
- موقعیت پورتها: جانبی برای سهولت در نصب
- نوع آببندی: Heavy-duty sealing
استفاده از این ترکیبها باعث میشود هیدروموتور پیستونی شعاعی اینترموت NHM6 حداکثر توان خود را در سیستمهای با فشار بالا و سیکل کاری طولانی ارائه دهد.
جدول مشخصات فنی هیدروموتور پیستونی شعاعی اینترموت NHM6
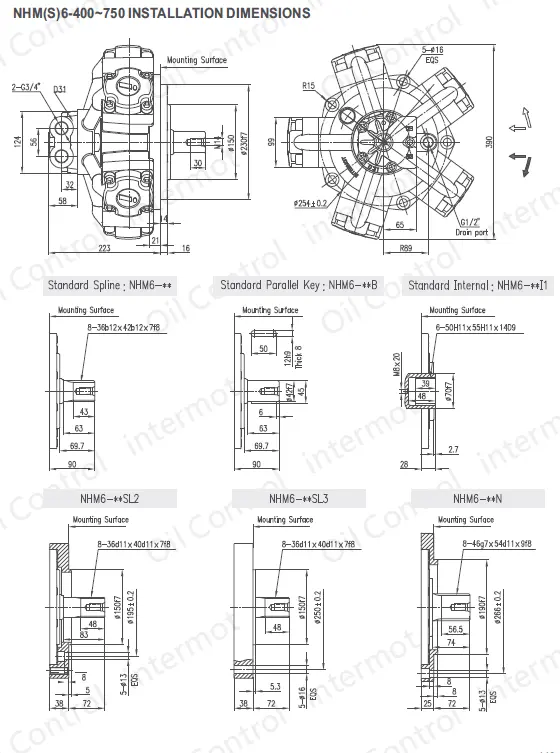
ابعاد نصب هیدروموتور پیستونی شعاعی اینترموت NHM6
در تصاویر بالا، ابعاد نصب هیدروموتور گشتاور بالا اینترموت NHM6 نمایش داده شده است. این نقشه شامل تمامی اندازههای لازم برای نصب دقیق موتور در سیستم هیدرولیک است؛ از جمله فاصله پیچهای فلنج، محل پورتها، ابعاد شفت خروجی و موقعیت محل تخلیه روغن.
مدل NHM6 با وجود توان و گشتاور بالا، همچنان ابعاد فشردهای دارد که نصب آن را در تجهیزات صنعتی، دریایی و معدنی ساده میسازد. طراحی مکانیکی دقیق و بالانس شده NHM6 باعث کاهش ارتعاش، افزایش عمر یاتاقانها و سهولت در مونتاژ سیستمهای هیدرولیکی میشود.
انواع درب مقسم هیدروموتور پیستونی شعاعی اینترموت NHM6
موتور NHM6 در کلاس موتورهای شعاعی با توان متوسط قرار دارد و از درب مقسم مدل D31 بهره میبرد. این درب مقسم ضمن کنترل دقیق جریان، با دقت بالا و تلرانس بسیار کم ماشینکاری شده تا در شرایط فشار بالا دچار نشتی داخلی نشود. در کاربردهای صنعتی با سرعت متوسط، عملکرد روان و بیصدا از ویژگیهای این مدل محسوب میشود. در نسخههای با فلاشینگ نیز، مدل D47H برای NHM6 قابل استفاده است.
شرکت اینترموت در سری NHM چند نوع درب مقسم استاندارد و مدلهای مخصوص با سیستم فلاشینگ ارائه میدهد:
انواع درب مقسم استاندارد (Standard Distributor)
D31
درب مقسم با پورتهای 3/4 اینچ، مناسب برای موتورهای سری NHM1، NHM2، NHM3 و NHM6.
این مدل برای کاربردهای عمومی و سرعتهای متوسط طراحی شده است.
D40
درب مقسم استاندارد مخصوص موتورهای NHM8 و NHM11 و موتورهای کوچکتر در شرایط دور بالا (High Speed).
این مدل جریان روغن را با دقت بالا در سرعتهای زیاد هدایت میکند.
D47
مجهز به فلنجهای قطر25، مناسب برای موتورهای سری NHM16.
این مدل بهدلیل طراحی مستحکم خود برای موتورهایی با گشتاور بالا استفاده میشود.
D90
درب مقسم بزرگ با دبی جریان بالا برای موتورهای NHM31 و NHM70.
طراحی آن به گونهای است که در کاربردهای سنگین صنعتی، عملکرد پایدار و بدون افت فشار فراهم میکند.
انواع درب مقسم با فلاشینگ (Distributor with Flushing)
در مدلهای دارای سیستم Flushing، یک مدار شستشوی داخلی برای کاهش حرارت و حذف ذرات آلاینده روغن در مدار تعبیه شده است. این ویژگی باعث افزایش دوام و بازده موتور در کارکردهای پیوسته و سنگین میشود.
D47H
درب مقسم با فلنجهای قطر 25 مخصوص موتورهای NHM6، NHM8، NHM11 و NHM16.
(مناسب برای موتورهایی با چرخش یکطرفه)
D90H
درب مقسم بزرگ با دبی زیاد برای موتورهای NHM31 و NHM70.
(فقط برای چرخش یکطرفه طراحی شده است)
ویژگی ها
- گشتاور بسیار بالا در سرعت پایین — تا چند هزار نیوتنمتر بسته به حجم جابجایی.
- طراحی پنج پیستونی شعاعی برای توزیع یکنواخت نیرو و کاهش لرزش.
- راندمان بالا (تا 90–95%) در فشار کاری ثابت.
- دوام و استحکام مکانیکی بالا برای کارکردهای صنعتی و سنگین.
- دوطرفه بودن چرخش (Bidirectional) — مناسب برای درایوهای رفت و برگشتی.
- نصب و نگهداری آسان با استانداردهای فلنج ISO.
- سازگار با سیستمهای هیدرولیک صنعتی، معدنی و دریایی.
کاربردها
- دستگاه تزریق پلاستیک
- درایوهای چرخ ماشینآلات راهسازی و معدنی
- جرثقیلهای دریایی و وینچهای سنگین
- ماشینآلات حفاری و تونلسازی
- سیستمهای هیدرولیک صنعتی سنگین
- تجهیزات انتقال قدرت با نیاز به گشتاور بالا
فروش هیدروموتور پیستونی شعاعی اینترموت NHM6
اگر به دنبال قدرت، دوام و عملکرد بینقص در سیستمهای هیدرولیکی خود هستید، هیدروموتور گشتاور بالا اینترموت NHM6 بهترین انتخاب شماست. این محصول با طراحی مهندسیشده و ساختار مقاوم، در صنایع سنگین، ماشینآلات عمرانی، دریایی، فولاد و پرسهای صنعتی عملکردی فوقالعاده دارد.
شرکت بهداد صنعت بهعنوان تأمینکننده معتبر و نمایندگی فروش هیدروموتور اینترموت در ایران، انواع مدلهای هیدروموتور پیستونی را با خدمات فنی تخصصی و قیمت رقابتی عرضه میکند.
نمره 0 از 5
0 نقد و بررسی
نمره 5 از 5
0
نمره 4 از 5
0
نمره 3 از 5
0
نمره 2 از 5
0
نمره 1 از 5
0
اولین نفری باشید که دیدگاهی را ارسال می کنید برای “هیدروموتور پیستونی شعاعی اینترموت NHM6” لغو پاسخ
بهداد صنعت
خدمات فنی دستگاه تزریق پلاستیک، برق، PLC و هیدرولیک
در بخش هیدرولیک، شرکت بهداد صنعت بهطور تخصصی در زمینه تأمین انواع پمپ هیدرولیک شامل پمپ هیدرولیک پیستونی، پمپ هیدرولیک دندهای و پمپ هیدرولیک پرهای، شیر هیدرولیک از جمله شیر پروپرشنال، شیر کنترل فشار و شیر هیدرولیک دستی و هیدروموتورهای متنوع مانند هیدروموتور پیستونی شعاعی، محوری و اوربیتالی فعالیت میکند.
همچنین خدمات مربوط به ساخت و تأمین پاورپکهای هیدرولیکی، جکهای هیدرولیکی و دیگر لوازم جانبی هیدرولیک از جمله کارتریج ، سوپاپ، فیلتر، دستگاه روغنکاری، گیج فشار و ... توسط این مجموعه پوشش داده میشود.
علاوه بر تأمین تجهیزات، خدمات نصب، تعمیر و پشتیبانی فنی سیستمهای هیدرولیکی نیز با تکیه بر تخصص و تجربه تیم فنی شرکت، انجام میگیرد.
در زمینه ماشینآلات تزریق پلاستیک، بهداد صنعت با همکاری شرکت معتبر مینزن یکی از بزرگترین تولیدکننده ماشینآلات تزریق پلاستیک در چین، اقدام به واردات مستقیم این دستگاهها با تکنولوژی CNC و استانداردهای جهانی کرده است. این مجموعه نهتنها در زمینه فروش، بلکه در ارائهی خدمات تعمیر، نگهداری و پشتیبانی فنی دستگاههای تزریق پلاستیک نیز همراه مشتریان خود است.
همچنین در زمینه لوازم جانبی دستگاه تزریق پلاستیک از جمله موادکش، گازگیر، آسیاب و سایر تجهیزات مکمل، خدمات کامل را ارائه میدهد.
تجربه، تخصص و تعهد سه اصل کلیدی در مسیر رشد و رضایت مشتریان ماست. از تأمین قطعات تا راهاندازی ماشینآلات صنعتی، همراه مطمئن شما هستیم.






دیدگاهها
پاکسازی فیلترهیچ دیدگاهی برای این محصول نوشته نشده است.