- دستگاه تزریق پلاستیک
- پمپ هیدرولیک
- شیر هیدرولیک
- لوازم جانبی دستگاه تزریق پلاستیک
- لوازم جانبی هیدرولیک
- هیدروموتور
- هیدروموتور پیستونی شعاعی
- هیدروموتور پیستونی شعاعی اینترموت
- هیدروموتور پیستونی شعاعی دندون
- هیدروموتور پیستونی شعاعی زد وای (ZI HYD)
- هیدروموتور پیستونی شعاعی سای ایتالیا
- هیدروموتور پیستونی شعاعی طرح سای آی ان آی (INI)
- هیدروموتور پیستونی شعاعی ایتال گروپ
- هیدروموتور پیستونی شعاعی کالزونی
- هیدروموتور پیستونی شعاعی استافا (Staffa)
- هیدروموتور پیستونی محوری
- هیدروموتور اوربیتالی
- هیدروموتور پیستونی شعاعی
- الکتروموتور
هیدروموتور پیستونی شعاعی اینترموت NHM3
مشخصات فنی هیدروموتور پیستونی شعاعی اینترموت NHM3
حداکثر فشار کاری:
- بسته به تیپ هیدروموتور از 200 تا 320 بار
جابجایی:
- بسته به تیپ هیدروموتور از 181 تا 380 سی سی بر دور
وزن:
- 35 کیلوگرم
تماس بگیرید
17
نفر در حال مشاهده این محصول هستند!
هیدروموتور پیستونی شعاعی اینترموت NHM3 یکی از جدیدترین و قدرتمندترین اعضای خانوادهی NHM از برند INTERMOT است. این سری از موتورها با طراحی پیشرفته، راندمان بالا و دوام فوقالعاده، برای کاربردهای سنگین صنعتی و سیستمهای هیدرولیکی با فشار بالا طراحی شدهاند.
در ادامهی مسیر موفق مدلهای NHM1 و NHM2، نسخهی NHM3 با بهبود در چند بخش کلیدی معرفی شده است:
- افزایش گشتاور خروجی نسبت به NHM1 و NHM2، مناسب برای کاربردهای سنگینتر
- بهبود راندمان حجمی و مکانیکی با طراحی دقیقتر پیستونها و سیستم توزیع روغن
- کاهش ارتعاش و صدا بهدلیل بالانس بهتر مجموعهی دوار
- طول عمر بالاتر بهواسطهی استفاده از متریال مقاومتر و بهینهسازی سیستم آببندی
- برای درک بهتر نحوه عملکرد و ساختار این نوع خاص، پیشنهاد میکنیم مقاله “هیدروموتور پیستونی شعاعی از قدرت تا کارایی” را مطالعه فرمایید.
- اگر علاقهمند به آشنایی با انواع مختلف هیدروموتورها هستید، مقاله “هیدروموتور راز قدرت ماشین آلات صنعتی” برای شروع مناسب است.
- همچنین، میتوانید مدلهای متنوع این نوع هیدروموتور را در بخش محصولات هیدروموتور پیستونی شعاعی مشاهده نمایید. برای دیدن همه محصولات، اینجا کلیک نمایید.

هیدروموتورهای سری NHM حاصل سالها تجربه و تحقیق شرکت Intermot در زمینه طراحی و تولید سیستمهای هیدرولیکی هستند. این موتورها با استفاده از فناوری پیستون شعاعی و سیستم توزیع دقیق روغن، حداکثر بازدهی، گشتاور بالا و عملکردی نرم و پایدار را ارائه میدهند.
طراحی مستحکم، قابلیت کارکرد در فشارهای بالا و مقاومت در برابر شوکهای هیدرولیکی، این موتورها را به انتخابی مناسب، برای کاربردهای سنگین صنعتی تبدیل کرده است.
جدول مشخصات فنی هیدروموتور پیستونی شعاعی اینترموت NHM3

کد سفارش هیدروموتور پیستونی شعاعی اینترموت NHM3 طبق استاندارد طراحی سری NHM
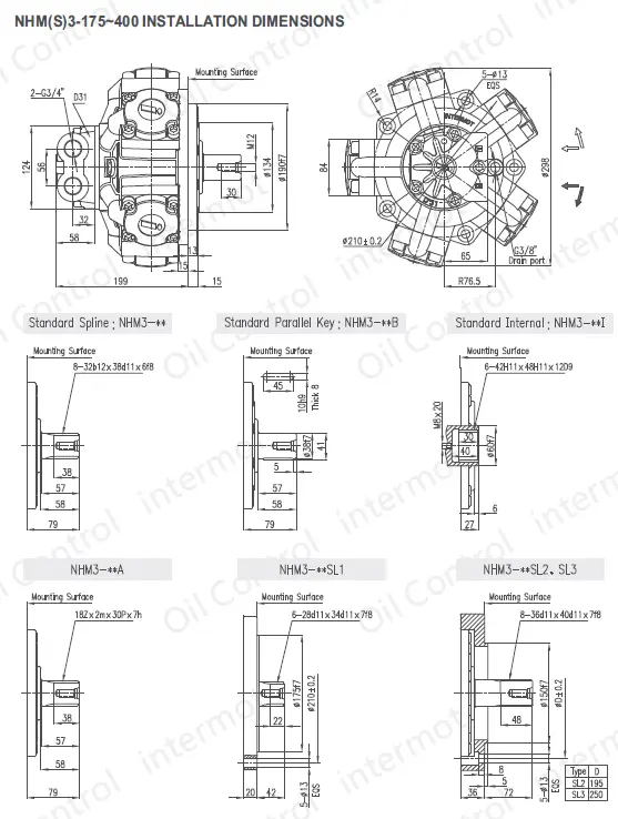
ابعاد نصب هیدروموتور پیستونی شعاعی اینترموت NHM3
در تصاویر بالا ابعاد دقیق و نقشه فنی مدل NHM3 نمایش داده شده است. این اطلاعات شامل اندازهی کلی بدنه، شفت خروجی، موقعیت پورتهای هیدرولیکی و سوراخهای نصب میباشد.
طراحی دقیق این بخشها، امکان نصب آسان در فضاهای محدود و سازگاری کامل با سیستمهای موجود را فراهم کرده است. تمام اندازهها بر اساس استانداردهای بینالمللی ISO و DIN مشخص شدهاند تا دقت و اطمینان در فرآیند مونتاژ تضمین شود.
انواع درب مقسم هیدروموتور پیستونی شعاعی اینترموت NHM3
در مدل NHM3، سیستم توزیع روغن از طریق درب مقسم نوع D31 انجام میشود. این قطعه ضمن حفظ فشار یکنواخت در مدار، باعث افزایش راندمان حجمی و جلوگیری از افت انرژی در موتور میشود. طراحی D31 با دقت بالا و مسیرهای روغن بهینه، مخصوص موتورهای کوچک سری NHM مانند NHM1، NHM2، NHM3 و NHM6 ساخته شده و در کارکردهای پیوسته، پایداری قابلتوجهی ارائه میدهد.
شرکت اینترموت در سری NHM چند نوع درب مقسم استاندارد و مدلهای مخصوص با سیستم فلاشینگ ارائه میدهد:
انواع درب مقسم استاندارد (Standard Distributor)
D31
درب مقسم با پورتهای 3/4 اینچ، مناسب برای موتورهای سری NHM1، NHM2، NHM3 و NHM6.
این مدل برای کاربردهای عمومی و سرعتهای متوسط طراحی شده است.
D40
درب مقسم استاندارد مخصوص موتورهای NHM8 و NHM11 و موتورهای کوچکتر در شرایط دور بالا (High Speed).
این مدل جریان روغن را با دقت بالا در سرعتهای زیاد هدایت میکند.
D47
مجهز به فلنجهای قطر25، مناسب برای موتورهای سری NHM16.
این مدل بهدلیل طراحی مستحکم خود برای موتورهایی با گشتاور بالا استفاده میشود.
D90
درب مقسم بزرگ با دبی جریان بالا برای موتورهای NHM31 و NHM70.
طراحی آن به گونهای است که در کاربردهای سنگین صنعتی، عملکرد پایدار و بدون افت فشار فراهم میکند.
انواع درب مقسم با فلاشینگ (Distributor with Flushing)
در مدلهای دارای سیستم Flushing، یک مدار شستشوی داخلی برای کاهش حرارت و حذف ذرات آلاینده روغن در مدار تعبیه شده است. این ویژگی باعث افزایش دوام و بازده موتور در کارکردهای پیوسته و سنگین میشود.
D47H
درب مقسم با فلنجهای قطر 25 مخصوص موتورهای NHM6، NHM8، NHM11 و NHM16.
(مناسب برای موتورهایی با چرخش یکطرفه)
D90H
درب مقسم بزرگ با دبی زیاد برای موتورهای NHM31 و NHM70.
(فقط برای چرخش یکطرفه طراحی شده است)
ویژگی ها
- راندمان مکانیکی و حجمی بسیار بالا
- گشتاور خروجی ثابت حتی در دورهای پایین
- صدای کم و لرزش حداقلی در حین کار
- قابلیت اطمینان و طول عمر زیاد بهدلیل طراحی دقیق اجزا
- امکان نصب در موقعیتهای مختلف بدون افت عملکرد
- مناسب برای کار در سیستمهایی با فشار بالا و شرایط کاری سخت
کاربردها
- صنایع معدنی
- صنایع دریایی
- ماشینآلات سنگین
- دستگاه تزریق پلاستیک
- تجهیزات حفاری
تعمیر، سرویس و خرید هیدروموتور اینترموت از بهداد صنعت
پس از انتخاب هیدروموتور اینترموت، میتوانید با کارشناسانبهداد صنعت تماس بگیرید و هیدروموتور خود را با بهترین قیمت و بدون واسطه خریداری کنید. خدمات تخصصی ما شامل تعمیر هیدروموتور، تست پس از تعمیر و تأمین قطعات یدکی میباشد.
برای دریافت لیست قیمت، خرید یا تعمیر هیدروموتور، با شماره تلفن 78549 تماس بگیرید.
نمره 0 از 5
0 نقد و بررسی
نمره 5 از 5
0
نمره 4 از 5
0
نمره 3 از 5
0
نمره 2 از 5
0
نمره 1 از 5
0
اولین نفری باشید که دیدگاهی را ارسال می کنید برای “هیدروموتور پیستونی شعاعی اینترموت NHM3” لغو پاسخ
بهداد صنعت
خدمات فنی دستگاه تزریق پلاستیک، برق، PLC و هیدرولیک
در بخش هیدرولیک، شرکت بهداد صنعت بهطور تخصصی در زمینه تأمین انواع پمپ هیدرولیک شامل پمپ هیدرولیک پیستونی، پمپ هیدرولیک دندهای و پمپ هیدرولیک پرهای، شیر هیدرولیک از جمله شیر پروپرشنال، شیر کنترل فشار و شیر هیدرولیک دستی و هیدروموتورهای متنوع مانند هیدروموتور پیستونی شعاعی، محوری و اوربیتالی فعالیت میکند.
همچنین خدمات مربوط به ساخت و تأمین پاورپکهای هیدرولیکی، جکهای هیدرولیکی و دیگر لوازم جانبی هیدرولیک از جمله کارتریج ، سوپاپ، فیلتر، دستگاه روغنکاری، گیج فشار و ... توسط این مجموعه پوشش داده میشود.
علاوه بر تأمین تجهیزات، خدمات نصب، تعمیر و پشتیبانی فنی سیستمهای هیدرولیکی نیز با تکیه بر تخصص و تجربه تیم فنی شرکت، انجام میگیرد.
در زمینه ماشینآلات تزریق پلاستیک، بهداد صنعت با همکاری شرکت معتبر مینزن یکی از بزرگترین تولیدکننده ماشینآلات تزریق پلاستیک در چین، اقدام به واردات مستقیم این دستگاهها با تکنولوژی CNC و استانداردهای جهانی کرده است. این مجموعه نهتنها در زمینه فروش، بلکه در ارائهی خدمات تعمیر، نگهداری و پشتیبانی فنی دستگاههای تزریق پلاستیک نیز همراه مشتریان خود است.
همچنین در زمینه لوازم جانبی دستگاه تزریق پلاستیک از جمله موادکش، گازگیر، آسیاب و سایر تجهیزات مکمل، خدمات کامل را ارائه میدهد.
تجربه، تخصص و تعهد سه اصل کلیدی در مسیر رشد و رضایت مشتریان ماست. از تأمین قطعات تا راهاندازی ماشینآلات صنعتی، همراه مطمئن شما هستیم.





دیدگاهها
پاکسازی فیلترهیچ دیدگاهی برای این محصول نوشته نشده است.