- دستگاه تزریق پلاستیک
- پمپ هیدرولیک
- شیر هیدرولیک
- لوازم جانبی دستگاه تزریق پلاستیک
- لوازم جانبی هیدرولیک
- هیدروموتور
- هیدروموتور پیستونی شعاعی
- هیدروموتور پیستونی شعاعی اینترموت
- هیدروموتور پیستونی شعاعی دندون
- هیدروموتور پیستونی شعاعی زد وای (ZI HYD)
- هیدروموتور پیستونی شعاعی سای ایتالیا
- هیدروموتور پیستونی شعاعی طرح سای آی ان آی (INI)
- هیدروموتور پیستونی شعاعی ایتال گروپ
- هیدروموتور پیستونی شعاعی کالزونی
- هیدروموتور پیستونی شعاعی استافا (Staffa)
- هیدروموتور پیستونی محوری
- هیدروموتور اوربیتالی
- هیدروموتور پیستونی شعاعی
- الکتروموتور
هیدروموتور پیستونی شعاعی اینترموت NHM11
مشخصات فنی هیدروموتور پیستونی شعاعی اینترموت NHM11
حداکثر فشار کاری:
- بسته به تیپ هیدروموتور از 200 تا 320 بار
جابجایی:
- بسته به تیپ هیدروموتور از 707 تا 1301 سی سی بر دور
وزن:
- 88 کیلوگرم
تماس بگیرید
15
نفر در حال مشاهده این محصول هستند!
هیدروموتور پیستونی شعاعی اینترموت NHM11 گام بعدی در افزایش قدرت و گشتاور در خانواده NHM است. در مقایسه با هیدروموتور پیستونی شعاعی اینترموت NHM8، این مدل با جابجایی حجمی بیشتر، توان خروجی بالاتر و مقاومت فوقالعاده در فشارهای بالا طراحی شده است.
اگرهیدروموتور اینترموت مدل NHM8 موتور “قدرت بالا” باشد، مدل NHM11 موتور “قدرت سنگین تمامعیار” محسوب میشود.
- در صورتی که میخواهید عملکرد دقیق و ساختار این مدل خاص را بهتر بشناسید، توصیه میکنیم مقاله “هیدروموتور پیستونی شعاعی از قدرت تا کارایی” را مطالعه کنید.
- همچنین برای آشنایی گستردهتر با انواع هیدروموتورها، مقاله “هیدروموتور راز قدرت ماشین آلات صنعتی” انتخابی بسیار کاربردی خواهد بود.
- اگر قصد بررسی مدلهای متنوع این نوع را دارید، پیشنهاد میکنیم به بخش محصولات هیدروموتور پیستونی شعاعی سر بزنید. برای دسترسی سریع به همه محصولات، اینجا کلیک کنید.
کد سفارش هیدروموتور پیستونی شعاعی اینترموت NHM11 طبق استاندارد طراحی سری NHM
برای هیدروموتور مدل NHM11، گزینههای سفارش معمولاً شامل سایز پورت بزرگتر، سیستم تخلیه بهینه و آببندی مخصوص دمای بالا است. این تنظیمات باعث میشود موتور در سیستمهای صنعتی با سیکل مداوم و دمای زیاد عملکرد مطمئنی داشته باشد
جدول مشخصات فنی هیدروموتور پیستونی شعاعی اینترموت NHM11
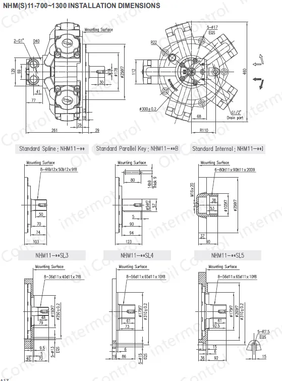
ابعاد نصب هیدروموتور پیستونی شعاعی اینترموت NHM11

این ابعاد در مدل NHM11 ، شامل فلنج بزرگتر، محور تقویتشده و موقعیت پورتهای جانبی برای جریان روغن بالا است..
انواع درب مقسم هیدروموتور پیستونی شعاعی اینترموت NHM11
درب مقسم مورد استفاده در موتور NHM11 از نوع D40 است که بهصورت خاص برای توزیع یکنواخت جریان روغن در موتورهای دور بالا طراحی شده است. این قطعه با ساختار تقویتشده خود، فشار را در سیکلهای کاری سنگین بدون نوسان حفظ میکند و در برابر سایش و دمای بالا مقاوم است. مدل D40 معمولاً در موتورهای NHM8 و NHM11 مشترک است و دقت بالایی در تنظیم زمانبندی جریان روغن دارد.
شرکت اینترموت در سری NHM چند نوع درب مقسم استاندارد و مدلهای مخصوص با سیستم فلاشینگ ارائه میدهد:
انواع درب مقسم استاندارد (Standard Distributor)
D31
درب مقسم با پورتهای 3/4 اینچ، مناسب برای موتورهای سری NHM1، NHM2، NHM3 و NHM6.
این مدل برای کاربردهای عمومی و سرعتهای متوسط طراحی شده است.
D40
درب مقسم استاندارد مخصوص موتورهای NHM8 و NHM11 و موتورهای کوچکتر در شرایط دور بالا (High Speed).
این مدل جریان روغن را با دقت بالا در سرعتهای زیاد هدایت میکند.
D47
مجهز به فلنجهای قطر25، مناسب برای موتورهای سری NHM16.
این مدل بهدلیل طراحی مستحکم خود برای موتورهایی با گشتاور بالا استفاده میشود.
D90
درب مقسم بزرگ با دبی جریان بالا برای موتورهای NHM31 و NHM70.
طراحی آن به گونهای است که در کاربردهای سنگین صنعتی، عملکرد پایدار و بدون افت فشار فراهم میکند.
انواع درب مقسم با فلاشینگ (Distributor with Flushing)
در مدلهای دارای سیستم Flushing، یک مدار شستشوی داخلی برای کاهش حرارت و حذف ذرات آلاینده روغن در مدار تعبیه شده است. این ویژگی باعث افزایش دوام و بازده موتور در کارکردهای پیوسته و سنگین میشود.
D47H
درب مقسم با فلنجهای قطر 25 مخصوص موتورهای NHM6، NHM8، NHM11 و NHM16.
(مناسب برای موتورهایی با چرخش یکطرفه)
D90H
درب مقسم بزرگ با دبی زیاد برای موتورهای NHM31 و NHM70.
(فقط برای چرخش یکطرفه طراحی شده است)
ویژگی ها
- گشتاور بسیار بالا با پایداری کامل در فشارهای بالا (تا 32 مگاپاسکال)
- ساختار مستحکم برای ماشینآلات حفاری، نورد فولاد، و جرثقیلهای صنعتی
- عملکرد بیلرزش و دقیق در دورهای پایین
- تحمل شوک هیدرولیکی و قابلیت کار در چرخههای پیوسته
کاربردها
- دستگاههای تزریق پلاستیک
- سازههای دریایی و کشتیها
- انواع وینچ و جرثقیل
- دستگاههای نورد
- خم فلزات
فروش هیدروموتور پیستونی شعاعی اینترموت
شرکت بهداد صنعت ارائهدهنده انواع هیدروموتورهای صنعتی، هیدروموتور پیستونی شعاعی اینترموت را با کیفیت عالی و تضمین عملکرد به فروش میرساند. این هیدروموتورها مناسب انواع کاربردهای صنعتی و پروژههای دقیق هستند و توسط کارشناسان ما همراه با مشاوره فنی تخصصی عرضه میشوند. برای اطلاعات بیشتر و ثبت سفارش با شرکت بهداد صنعت تماس بگیرید.
نمره 0 از 5
0 نقد و بررسی
نمره 5 از 5
0
نمره 4 از 5
0
نمره 3 از 5
0
نمره 2 از 5
0
نمره 1 از 5
0
اولین نفری باشید که دیدگاهی را ارسال می کنید برای “هیدروموتور پیستونی شعاعی اینترموت NHM11” لغو پاسخ
بهداد صنعت
خدمات فنی دستگاه تزریق پلاستیک، برق، PLC و هیدرولیک
در بخش هیدرولیک، شرکت بهداد صنعت بهطور تخصصی در زمینه تأمین انواع پمپ هیدرولیک شامل پمپ هیدرولیک پیستونی، پمپ هیدرولیک دندهای و پمپ هیدرولیک پرهای، شیر هیدرولیک از جمله شیر پروپرشنال، شیر کنترل فشار و شیر هیدرولیک دستی و هیدروموتورهای متنوع مانند هیدروموتور پیستونی شعاعی، محوری و اوربیتالی فعالیت میکند.
همچنین خدمات مربوط به ساخت و تأمین پاورپکهای هیدرولیکی، جکهای هیدرولیکی و دیگر لوازم جانبی هیدرولیک از جمله کارتریج ، سوپاپ، فیلتر، دستگاه روغنکاری، گیج فشار و ... توسط این مجموعه پوشش داده میشود.
علاوه بر تأمین تجهیزات، خدمات نصب، تعمیر و پشتیبانی فنی سیستمهای هیدرولیکی نیز با تکیه بر تخصص و تجربه تیم فنی شرکت، انجام میگیرد.
در زمینه ماشینآلات تزریق پلاستیک، بهداد صنعت با همکاری شرکت معتبر مینزن یکی از بزرگترین تولیدکننده ماشینآلات تزریق پلاستیک در چین، اقدام به واردات مستقیم این دستگاهها با تکنولوژی CNC و استانداردهای جهانی کرده است. این مجموعه نهتنها در زمینه فروش، بلکه در ارائهی خدمات تعمیر، نگهداری و پشتیبانی فنی دستگاههای تزریق پلاستیک نیز همراه مشتریان خود است.
همچنین در زمینه لوازم جانبی دستگاه تزریق پلاستیک از جمله موادکش، گازگیر، آسیاب و سایر تجهیزات مکمل، خدمات کامل را ارائه میدهد.
تجربه، تخصص و تعهد سه اصل کلیدی در مسیر رشد و رضایت مشتریان ماست. از تأمین قطعات تا راهاندازی ماشینآلات صنعتی، همراه مطمئن شما هستیم.





دیدگاهها
پاکسازی فیلترهیچ دیدگاهی برای این محصول نوشته نشده است.