- دستگاه تزریق پلاستیک
- پمپ هیدرولیک
- شیر هیدرولیک
- لوازم جانبی دستگاه تزریق پلاستیک
- لوازم جانبی هیدرولیک
- هیدروموتور
	- هیدروموتور پیستونی شعاعی
		- هیدروموتور پیستونی شعاعی اینترموت
- هیدروموتور پیستونی شعاعی دندون
- هیدروموتور پیستونی شعاعی زد وای (ZI HYD)
- هیدروموتور پیستونی شعاعی آی ان آی (INI)
- هیدروموتور پیستونی شعاعی سای ایتالیا
- هیدروموتور پیستونی شعاعی طرح سای آی ان آی (INI)
- هیدروموتور پیستونی شعاعی طرح سای دندون
- هیدروموتور پیستونی شعاعی ایتال گروپ
- هیدروموتور پیستونی شعاعی کالزونی
- هیدروموتور پیستونی شعاعی استافا (Staffa)
 
- هیدروموتور پیستونی محوری
- هیدروموتور اوربیتالی
 
- هیدروموتور پیستونی شعاعی
		
- الکتروموتور
پمپ هیدرولیک دندهای سومیتومو QT (Sumitomo QT)
پمپ هیدرولیک دندهای سومیتومو QT (Sumitomo QT)
پمپهای تکی (Single QT Pumps)
- محدوده فشار کاری: ۶۹ تا 314 بار (بسته به مدل)
- محدوده دبی: ۴.۹ تا ۲۳۷.۵ cm³/rev
- سرعت کاری: ۱۰۰۰ تا ۱۸۰۰ rpm (برخی مدلها محدود به ۱۵۰۰–۱۸۰۰ rpm)
پمپهای دوبل (Double QT Pumps)
- ترکیب دو پمپ تکی روی یک شفت مشترک (ورودی جداگانه)
- محدوده فشار کاری: ۶۹ تا ۲۰۶ بار
- محدوده دبی: ترکیبی از ظرفیت دو پمپ (مطابق جدول ترکیب)
- سرعت کاری: ۱۰۰۰ تا ۱۸۰۰ rpm
پمپهای مجهز به موتور (QTM Pumps)
- طراحی یکپارچه پمپ QT با موتور الکتریکی
- محدوده فشار کاری: ۶۹ تا ۲۰۶ بار
تماس بگیرید
			12
			نفر در حال مشاهده این محصول هستند!
		
						پمپ هیدرولیک دندهای سومیتومو QT (Sumitomo QT) با دندههای داخلی طراحی شده است که صدای عملکرد را به حداقل میرساند. مهمترین ویژگی این پمپها آن است که به دلیل شکل ویژه پروفیل دندانهها، سطح نویز حتی در صورت افزایش فشار تقریباً ثابت باقی میماند.
در این صفحه و بخش معرفی محصول، انواع مدلهای پمپ QT بررسی و معرفی شدهاند:
- پمپهای تکی (Single QT Pumps): برای کاربردهای متنوع در فشار پایین تا فوق فشار بالا (۶۹ تا ۳۱۴ بار) با محدوده دبی گسترده.
- پمپهای دوبل (Double QT Pumps): ترکیبی از دو پمپ روی یک شفت مشترک، مناسب برای سیستمهایی که نیاز به دو مدار هیدرولیک همزمان دارند (تا ۲۰۶ بار).
- پمپهای مجهز به موتور (Motor-equipped QT Pumps – QTM): طراحی یکپارچه پمپ و موتور برای نصب سریع، صرفهجویی در فضا و افزایش بهرهوری (تا ۲۰۶ بار).
- لوازم جانبی پمپها (Accessories): شامل فلنجهای لوله (Pipe Flange) و پایهها (Feet) برای نصب آسانتر و اتصال ایمن به سیستم.
همچنین در بخش Example Data، دادههای واقعی عملکردی مانند سطح صدا، مقاومت سایشی و نمودار فشار-دبی ارائه شدهاند که کیفیت و قابلیت اطمینان این پمپها را اثبات میکنند.
آیا میخواهید با پمپهای هیدرولیک و دنیای آنها بیشتر آشنا شوید؟ این مقاله را از دست ندهید! اگر هم به دنبال بررسی مدلها و مشخصات فنی دقیق انواع پمپ های هیدرولیک هستید، میتوانید به صفحه محصولات ما سر بزنید. به علاوه، اگر به طور خاص به دنبال اطلاعاتی درباره پمپهای هیدرولیک دندهای هستید، حتماً این مقاله را مطالعه کنید و برای مشاهده انواع پمپ دندهای، اینجا کلیک کنید.
پمپ هیدرولیک دندهای سومیتومو QT (Sumitomo QT)، علاوه بر کاربردهای گسترده در صنایع مختلف، در دستگاههای تزریق پلاستیک نیز نقش مهمی ایفا میکند. این پمپ با تأمین فشار و جریان پایدار، کارکرد یکنواخت و مطمئن دستگاههای تزریق را فراهم میکند.
آیا به دنبال اطلاعات بیشتری درباره دستگاههای تزریق پلاستیک هستید؟ در این مقاله، ما تمام نکات کلیدی را برای شما آماده کردهایم.
میخواهید دستگاهها را ببینید؟ برای دسترسی سریع به محصولات و مشخصات فنی، فقط یک کلیک فاصله دارید!
نمونه شماره مدل در پمپ های تکی QT
یک نمونه از شماره مدل پمپ نمایش داده شده تا بتوانید اجزای شمارهگذاری (مانند سایز، نوع فلنج، جهت چرخش و فشار کاری) را شناسایی و مدل مناسب را انتخاب کنید.
مدل QT4 3-25 F شامل بخشهای زیر است:
- QT → مدل پایه (Base Model)
- 4 → سایز (Size)
- 3 → دسته بندی فشار پمپ (Pump Pressure Category)
- عدد 3 نشان میدهد که پمپ در گروه فشار بالا (High-pressure pump) قرار دارد.
- دستهبندی فشار پمپها به شکل زیر است:
- 1 → پمپ فشار پایین (Low-pressure pump)
- 2 → پمپ فشار متوسط (Medium-pressure pump)
- 3 → پمپ فشار بالا (High-pressure pump)
- 4 → پمپ فشار بسیار بالا (Super-high-pressure pump)
 
 
- 25 → دبی پمپ (Nominal theoretical discharge rate) به سانتیمتر مکعب بر دور (cm³/rev.)
- F → جهت چرخش شفت (Rotation direction)
- اگر بعد از عدد دبی F بیاید → چرخش راستگرد (Clockwise / Right-hand rotation)
- اگر هیچ حرفی به دبی نچسبد → باز هم چرخش راستگرد
- اگر بعد از دبی L یا E بیاید → چرخش چپگرد (Counter-clockwise / Left-hand rotation)
 
پس QT4-3-25F یعنی:
- مدل پایه: QT
- سایز: 4
- فشار: بالا
- دبی: 25 cm³/rev
- چرخش: راستگرد
جدول مشخصات پمپهای تکی QT (Single Pumps)
- مدلهای QT22-4 و QT23-4 باید در محدوده سرعت ۱۵۰۰ تا ۱۸۰۰ rpm استفاده شوند.
- مدل QT23-4 دارای فشار نامی ۲۰.۶ MPa و فشار لحظهای حداکثر ۲۴.۵ MPa است.
- پمپهایی که شماره مدل آنها با ستاره (*) مشخص شدهاند، در سری Motor-equipped QT Pump نیز موجود هستند.
- استفاده در فشار لحظهای حداکثر باید به یکسوم یا کمتر از هر سیکل و حداکثر ۲۰ ثانیه محدود شود.
- پمپهای فوق فشار بالا به صورت استاندارد همراه با پشتیبانی کاور انتهایی (End Cover Support) عرضه میشوند.
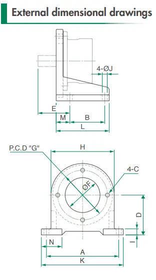
نقشه ابعادی خارجی پمپهای تکی QT
برای نصب و طراحی سیستم خود، ابعاد دقیق پمپهای سری QT را در این بخش مشاهده کنید.
- توجه: ابعاد واقعی فلنجهای جوشی یک سایز کوچکتر از قطر اسمی آنها است.
- امکان انتخاب بین فلنج پیچی (T) یا جوشی (W) وجود دارد.
نقشه انفجاری و ساختاری پمپهای تکی QT
نقشه ساختاری پمپهای تکی QT ، اجزای داخلی و نحوهی قرارگیری قطعات اصلی را نمایش میدهد. این نقشه کمک میکند تا ساختار دقیق پمپ، اجزاء مکانیکی و مسیرهای ورود و خروج سیال بهخوبی درک شود.
جدول قطعات پمپهای تکی QT
لیست کامل قطعات بهکاررفته در پمپ به همراه شماره و نام هر جزء در این نقشه آورده شده است.
جدول انواع سیل پمپهای تکی QT
در این جدول، انواع سیل استاندارد، H-type و V-type برای آببندی شفت و بدنه پمپ معرفی شدهاند.
جدول مشخصات فنی پمپهای تکی QT
- پمپهای با فشار پایین
- پمپ های با فشار متوسط
- پمپ های با فشار بالا
نمونه شماره مدل در پمپ های دوبل QT
پمپهای دوبل QT ترکیبی از دو پمپ جداگانه با ورودی مستقل هستند که روی یک شفت مشترک کار میکنند.
در این بخش نمونهای از شماره مدل پمپ دوبل QT نمایش داده شده است. این مثال کمک میکند تا بتوانید نحوهی کدگذاری مدلها را بر اساس ظرفیت، فشار کاری، نوع فلنج و سایر مشخصات شناسایی کنید.
ترکیب مدلهای پمپ دوبل QT (Double Pump Combinations)
پمپهای دوبل QT ترکیبی از دو پمپ جداگانه با ورودی مستقل هستند که روی یک شفت مشترک کار میکنند.
- B , A و C پمپهای دوبل استاندارد هستند. در جدول، هر جا این علامتها اومده، نشوندهنده ترکیب استاندارد Pump I و Pump II هست.
 (اگر ترکیبی در جدول با فلش مشخص شده، یعنی اون ترکیب بهصورت استاندارد موجود نیست و باید از مدل استاندارد معرفیشده توسط فلش استفاده بشه).
- چرخش ساعتگرد (Clockwise rotation) وقتی از سمت موتور دیده شود، حالت استاندارد است.
 مدلهای چرخش پادساعتگرد فقط بهصورت سفارشی ساخته میشوند.
- حروف D , C , B , Aنشاندهنده گروهبندی پمپها بر اساس تفاوت در شکل ظاهری یا محل پورتها هستند.
 (برای B و A امکان انتخاب با پورت P2 در ۱۸۰ درجه مقابل هم نیز وجود دارد).
نقشه ابعادی خارجی پمپهای دوبل QT
این قسمت شامل نقشههای ابعادی دقیق پمپهای دوبل سری QT است. نقشهها اطلاعات لازم برای نصب، طراحی و انتخاب محل قرارگیری پورتها و فلنجها را ارائه میکنند:
در این بخش نقشههای ابعادی مدلهای مشخص QT6362 و QT6363 آورده شده است. این نقشهها برای کاربرانی است که به مشخصات فنی و ابعادی دقیق این دو مدل نیاز دارند:
نقشه انفجاری و ساختاری پمپهای دوبل QT
نمای انفجاری و ساختاری پمپهای دوبل QT که اجزای داخلی و نحوه مونتاژ قطعات را نمایش میدهد.
جدول قطعات پمپهای دوبل QT
در این نقشه ، لیست اجزاء به همراه شماره قطعه برای شناسایی سریع آورده شده است.
نمونه شماره مدل در پمپهای QT مجهز به موتور (QTM)
این بخش یک نمونه از شماره مدل پمپهای مجهز به موتور (QTM) را نشان میدهد. هدف این قسمت، آشنا کردن کاربر با ساختار کدگذاری مدلهاست تا بتواند بهدرستی ظرفیت پمپ، فشار کاری، نوع موتور و سایر مشخصات را از روی شماره مدل تشخیص دهد.
جدول ترکیب مدل پمپهای QT مجهز به موتور
- این جدول، ترکیبهای استاندارد پمپ و موتور را معرفی مینماید.
- هر ردیف از جدول نمایانگر یک مدل کامل از سری QTM است که شامل مشخصات پمپ (سری QT) و موتور انتخابی مربوطه میباشد.
- کاربران میتوانند بر اساس نیازهای سیستم خود، شامل توان، فشار و دبی، مدل مناسب را از این جدول انتخاب نمایند.
فهرست مدل پمپهای QT مجهز به موتور
این بخش لیست کامل مدلهای پمپ سری QT است که بهصورت یکپارچه با موتور عرضه میشوند.
- این مدلها با ترکیب مستقیم پمپ و موتور طراحی شدهاند تا فضای نصب کمتری بگیرند.
- انتخاب مدل مناسب بر اساس ظرفیت پمپ، فشار کاری و مشخصات موتور انجام میشود.
نقشه ابعادی خارجی پمپهای QT مجهز به موتور
نقشه ابعادی دقیق پمپهای مجهز به موتور (QTM)، در این بخش قابل مشاهده است. این نقشهها شامل اندازه کلی، موقعیت پایهها و محل ورودی و خروجی پمپ هستند و برای طراحی و نصب در سیستم استفاده میشوند.
جدول معرفی پمپهای QT مجهز به موتور
این جدول، پمپهای QTM را معرفی میکند که با ترکیب یک پمپ دنده داخلی QT و موتور الکتریکی در یک مجموعه یکپارچه طراحی شدهاند.
- هدف: صرفهجویی در فضا و سادهسازی نصب.
- مزیت: کاهش نیاز به کوپلینگ و اجزای نصب اضافی.
فروش جداگانه لوازم جانبی (Accessories) پمپ هیدرولیک دندهای سومیتومو QT (Sumitomo QT)
فلنج لوله ( Pipe Flange )
فلنجهای لوله بهصورت جداگانه عرضه میشوند و امکان اتصال سریع و ایمن پمپ به خطوط لوله را فراهم میکنند. این قطعات با ابعاد و استانداردهای مختلف در دسترس هستند و انتخاب مدل مناسب بر اساس شماره مدل و نقشه ابعادی انجام میشود.
پایه پمپ ( Feet )
پایههای پمپ بهصورت جداگانه ارائه میشوند و برای نصب مطمئن پمپ روی شاسی یا کف تجهیزات استفاده میگردند. ابعاد و موقعیت سوراخها در نقشههای ابعادی مشخص شده تا نصب دقیق و بدون لرزش انجام شود.
نمونه شماره مدل فلنج لوله ( Pipe Flange )
در این بخش میتوانید نمونه مدلهای فلنج لوله را مشاهده کنید تا بر اساس سایز و نوع اتصال، مدل مناسب را به آسانی انتخاب نمایید.
نقشه ابعادی خارجی فلنج لوله ( Pipe Flange )
نقشهها شامل اندازه دقیق، سوراخکاریها و نحوه اتصال فلنج به پمپ هستند.
نمونه شماره مدل پایه پمپ ( Feet )
یک نمونه شماره مدل پایه پمپ ارائه شده تا انتخاب محصول بر اساس سایز و نوع نصب سادهتر شود.
نقشه ابعادی خارجی پایه پمپ ( Feet )
این قسمت نقشههای ابعادی پایهها را نشان میدهد. نقشه شامل طول، عرض، محل سوراخهای نصب و موقعیت اتصال پایهها به پمپ است.
نمودار مربوط به سطح صدا

نمودار مربوط به مقاومت سایشی با روغن آب-گلیکول ( Wear Resistance )
این تست نشان میدهد که پمپهای QT حتی با روغنهای هیدرولیک پایه آب-گلیکول نیز مقاومت بالایی در برابر سایش دارند. عملکرد پایدار و بدون افت کیفیت در شرایط روانکاری ضعیف از مزایای اصلی این سری است.
نمودار مربوط به حداکثر فشار قابل تنظیم در مدلهای مجهز به موتور ( Maximum Set Pressure Diagram for Motor-equipped QT Pump Models )
این نمودار محدوده فشار قابل دستیابی پمپهای QTM را در شرایط بارگذاری کامل موتور (۱۰۰٪ ظرفیت) نمایش میدهد. برای انتخاب درست مدل متناسب با فشار کاری سیستم، این نمودار مرجع مهمی است.
کاربردهای پمپ سومیتومو QT
- دستگاه تزریق پلاستیک
- سیستمهای ماشینابزار و CNC
- خطوط تولید صنعتی
- پرسهای هیدرولیک
- تجهیزات نیازمند کنترل دقیق سرعت
- صنایع سنگین با نیاز به دبی بالا
ویژگیهای پمپ هیدرولیک سومیتومو QT
- طراحی دنده داخلی با نویز بسیار کم
- ثبات سطح صدا حتی در فشار بالا
- تحمل فشار بالا
- بدون موج فشار (Pressure Ripple Free)
- طول عمر بالا به دلیل روانکاری کامل قطعات
- سازگاری با روانکارهای ضعیف مانند آب–گلیکول
قیمت و خرید پمپ هیدرولیک دندهای سومیتومو QT (Sumitomo QT) و خدمات بهداد صنعت
شرکت بهداد صنعت ارائهدهندهی معتبر انواع پمپ هیدرولیک دندهای سومیتومو QT (Sumitomo QT) در ایران است. ما در زمینهی فروش پمپ سومیتومو در مدلهای تکی (Single)، دوبل (Double) و مجهز به موتور (QTM) فعالیت داریم و تمامی محصولات را با تضمین اصالت و بهترین قیمت ارائه میکنیم.
علاوه بر فروش و تأمین این پمپها، بهداد صنعت خدمات تخصصی تعمیر، سرویس دورهای و تأمین قطعات یدکی پمپ QT را نیز ارائه میدهد. به این ترتیب مشتریان میتوانند علاوه بر خرید محصول، برای نگهداری و افزایش عمر مفید پمپهای خود نیز روی خدمات ما حساب کنند.
							
			نمره 0 از 5		
						
				
					0 نقد و بررسی				
			
											
			نمره 5 از 5		
										
													
														0
													
					
											
			نمره 4 از 5		
										
													
														0
													
					
											
			نمره 3 از 5		
										
													
														0
													
					
											
			نمره 2 از 5		
										
													
														0
													
					
											
			نمره 1 از 5		
										
													
														0
													
					
		اولین نفری باشید که دیدگاهی را ارسال می کنید برای “پمپ هیدرولیک دندهای سومیتومو QT (Sumitomo QT)” لغو پاسخ	
				بهداد صنعت
خدمات فنی دستگاه تزریق پلاستیک، برق، PLC و هیدرولیک
در بخش هیدرولیک، شرکت بهداد صنعت بهطور تخصصی در زمینه تأمین انواع پمپ هیدرولیک شامل پمپ هیدرولیک پیستونی، پمپ هیدرولیک دندهای و پمپ هیدرولیک پرهای، شیر هیدرولیک از جمله شیر پروپرشنال، شیر کنترل فشار و شیر هیدرولیک دستی و هیدروموتورهای متنوع مانند هیدروموتور پیستونی شعاعی، محوری و اوربیتالی فعالیت میکند.
همچنین خدمات مربوط به ساخت و تأمین پاورپکهای هیدرولیکی، جکهای هیدرولیکی و دیگر لوازم جانبی هیدرولیک از جمله کارتریج ، سوپاپ، فیلتر، دستگاه روغنکاری، گیج فشار و ... توسط این مجموعه پوشش داده میشود.
علاوه بر تأمین تجهیزات، خدمات نصب، تعمیر و پشتیبانی فنی سیستمهای هیدرولیکی نیز با تکیه بر تخصص و تجربه تیم فنی شرکت، انجام میگیرد.
در زمینه ماشینآلات تزریق پلاستیک، بهداد صنعت با همکاری شرکت معتبر مینزن یکی از بزرگترین تولیدکننده ماشینآلات تزریق پلاستیک در چین، اقدام به واردات مستقیم این دستگاهها با تکنولوژی CNC و استانداردهای جهانی کرده است. این مجموعه نهتنها در زمینه فروش، بلکه در ارائهی خدمات تعمیر، نگهداری و پشتیبانی فنی دستگاههای تزریق پلاستیک نیز همراه مشتریان خود است.
همچنین در زمینه لوازم جانبی دستگاه تزریق پلاستیک از جمله موادکش، گازگیر، آسیاب و سایر تجهیزات مکمل، خدمات کامل را ارائه میدهد.
تجربه، تخصص و تعهد سه اصل کلیدی در مسیر رشد و رضایت مشتریان ماست. از تأمین قطعات تا راهاندازی ماشینآلات صنعتی، همراه مطمئن شما هستیم.

 
	
 
			 
			 
			 
			 
			 
			 
			 
			 
			 
			 
			 
			 
			 
			 
			 
			 
			 
			 
			 
			 
			 
			 
			 
			 
			 
			 
			 
			 
			 
			 
			 
			 
			 
			 
			 
			 
			






























 
						 
											
دیدگاهها
پاکسازی فیلترهیچ دیدگاهی برای این محصول نوشته نشده است.